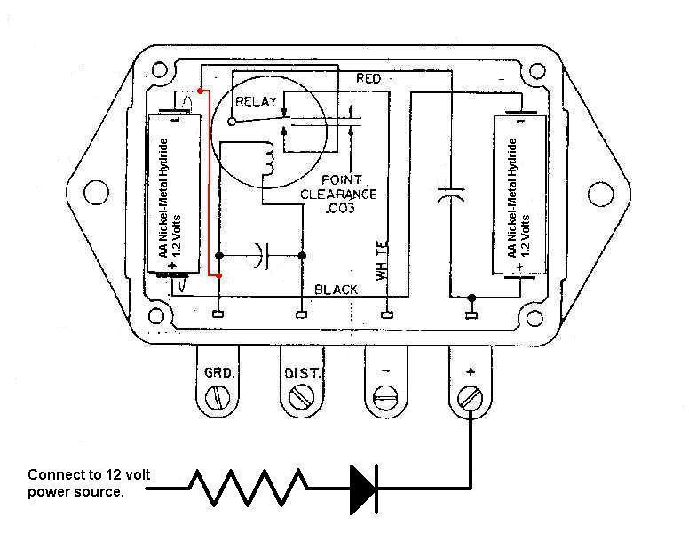
Oldschool Tachometer

    When you are building an oldschool drag car, like my Comet, a five inch Autometer tach doesn't really fit. I found an old Sun Super Tach at a swap meet but the guy neglected to mention it needed a sending unit. Luckily a buddy of mine gave me one he had laying around (Thanks Brian). The sending unit consists of a relay, a couple of batteries, and a capacitor. The coil of the relay is hooked to the distributor. The points opening and closing turns the relay on and off. The relay toggles the capacitor from the batteries to the tachometer. The batteries charge the capacitor then the capacitor discharges through the tach. The sending unit didn't work when I got it. The points needed to be adjusted (.003") and the batteries were dead. Adjusting the points was easy but the batteries were a little more difficult.
    The original batteries were mercury cells which are only 1.35 volts. There are two of them which is a total of 2.7 volts. Nobody makes mercury cells any more. New alkaline batteries are 1.5 volts, 3 volts total. With a couple AA batteries the tach will work but it will be too fast. Mine read about 6,000 when the motor was turning 5,000 rpm. Nickel-metal hydride batteries are only 1.2 volts each. Since nickel-metal hydride batteries are rechargeable you can apply current to them to raise the voltage. Putting about 80-90 mA will bring them up to the same voltage as mercury cells. As an added bonus the batteries will never go dead since they are under a constant charge.
    Building the charger is remarkably simple. Open up the sending unit, put in a couple nickel-metal hydride batteries and solder in a jumper wire between the negative battery lead and the ground post; drawn in RED. Run a wire with a resistor and diode from the + post on the sending unit to a 12 volt source. I ran mine to the accessory post on the back of the ignition switch, you want it to turn off when the motor is off. The resistor determines how much current is fed to the batteries. A 125 ohm resistor will give you about 80-90mA. To find out what voltage the batteries are running at, hook a volt meter between the ground and + posts on the sending unit. A larger resistor will lower the voltage and a smaller resistor will raise the voltage.  Use at least a 2 watt resistor, I used a 10 watt since that's what I had laying around. The diode is to prevent the batteries from going dead when the car is turned off. A diode is an electric check valve, it only allows current to flow in one direction. Any rectifier diode should work fine. Make sure the cathode is pointed towards the sending unit, there is a stripe on the diode to show which end is the cathode.
    Even after getting the voltage where it was supposed to be my tach was still reading fast. I don't think it's the right sending unit for my tach. To calibrate the sending unit I hooked an inductive tune-up tach to the engine to know how fast it's spinning. I replaced the 125 ohm resistor with a 330 ohm which reduced the charging current to about 34mA. The tach was still reading fast. I tried various methods of calibrating the sending unit but found the best and easiest way is to put a resistor parallel to the tach. I grabbed my box of spare parts and tried various resistors until the tach read the same as the tune-up tach. A 1,000 ohm, 1/2 watt resistor worked perfect. You don't even have to solder the resistor in, just screw it down between the - and + posts on the sending unit. If you don't have a bunch of resistors you can buy an assortment at Radio Shack for a couple of bucks.
    If the tach reading is erratic you may have to adjust the relay spring tension. Remove the screw in the sending unit cover. Using a small flat blade screwdriver turn the hex nut clockwise and counterclockwise until the tachometer reading is steady at high engine speeds.

    I recently ditched the antique sending unit. I added a few lines of code to my digital ignition and a mosfet between the chip and tach. Not only is it much simpler but it is extremely accurate

Questions, comments? Write me at mrriggs@gofastforless.com

Home